新闻动态
KWZK科威自控集团
星空·综合(中国)体育官方网站
关于我们
公司简介
在线反馈
联系我们
产品展示
全部
星空·综合(中国)体育官方网站
流量计系列
液位/料位系列
阀门/执行装置
液压/气动元件
检维修工器具
化验/分析仪器
其他机电仪产品
新闻动态
全部
行业知识
企业新闻
资料下载
客户案例
新闻动态
推荐
热门
最新
一种允许错误动作的继电保护-广东科威
一种允许错误动作的继电保护-广东科威
2022-09-13
科威
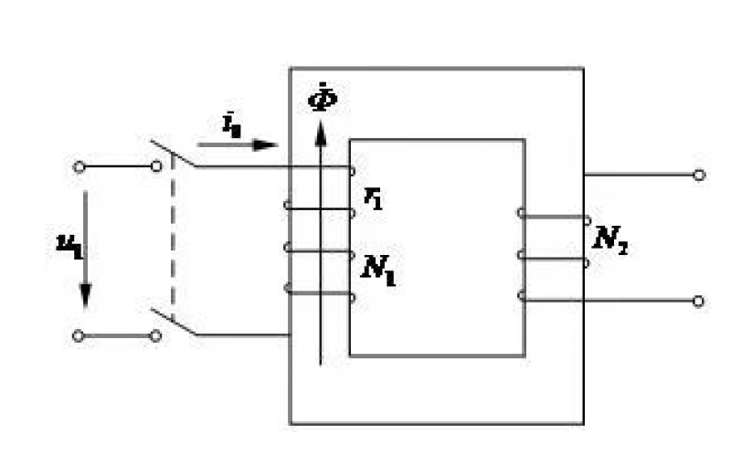
变压器励磁电流大小是否可以控制
变压器励磁电流大小是否可以控制
2022-07-26
科威电气
上一页
1
2
3
4
下一页
转至第
首页
产品
新闻
联系
开云体育
|
米兰官方站app网站
|
星空体育·(中国)官方网站
|
LD.COM
|
华体会体育
|
开云体育
|
世界杯竞猜网站_世界杯(中国)
|
米兰体育
|
米兰体育
|