新闻动态

  • 高温高压蒸汽工况下双金属温度计损坏原因分析与改造方案

    在化工、供热、蒸汽管道等工业现场,双金属温度计因结构简单、显示直观、无需供电,被广泛用于介质温度监测。但在高温、高压、高流速蒸汽工况下,普通安装方式的温度计极易出现传感器弯曲、变形、断裂等问题,不仅增加维护成本,还会影响装置安全稳定运行。

    2026-04-01 科威

  • 测量蒸汽流量的孔板流量计:导压管冷凝罐的设置

    孔板流量计基于节流原理,流体流经孔板时产生差压,差压平方根与流量成正比。对于蒸汽介质,通常采用环室取压或法兰取压,通过导压管将高压侧与低压侧压力信号传递至差压变送器。但蒸汽具有极高的汽化潜热和温度(饱和蒸汽100~250℃,过热蒸汽可达400℃以上),若高温蒸汽直接进入导压管及变送器,会造成:①变送器敏感元件因过热而损坏或零点漂移;②导压管内蒸汽冷凝不均匀导致两相流,差压信号剧烈波动;③正负压侧冷凝液位不等引入静压误差。为此,工程界普遍采用在取压口附近安装冷凝罐(又称冷凝器、蒸汽冷凝罐),强制使蒸汽在罐内冷凝为液态水,并维持恒定、等高的冷凝液位,将高温蒸汽与变送器可靠隔离,同时传递稳定的静压。

    2026-03-09 科威

  • 蒸汽流量计没流量?来看看是怎么回事

    处理故障先把安全放在第一位,我先关掉取压管路上的两道截止阀,再打开放空阀把管里的残余压力放掉,等压力表指针回到零,才敢动手操作。

    2025-11-24 科威

  • 关于涡街流量计“漏脉冲”的探讨

    漏脉冲的核心定义与危害 漏脉冲是指涡街流量计在测量过程中,传感器未能完整检测流体流经旋涡发生体时产生的涡列信号,部分涡流被“遗漏”未转化为电脉冲输出,直接导致流量测量结果偏低。

    2025-11-18 科威

  • 蒸汽涡街流量计冷凝水干扰故障的实战排查与解决

    故障现象与初步排查:三车间蒸汽管道上的涡街流量计出现数据波动、示值偏差大的异常情况。维修人员首先启动常规排查流程:逐一核对流量计的参数设置(包括量程、补偿模式、频率系数、阻尼时间等),确认其与蒸汽的实际工况(压力、温度、流速范围)完全匹配;随后检测供电系统的稳定性(DC24V电源的电压波动、接线端子的紧固性);并对信号传输回路(4-20mA电流输出、HART通讯链路)进行抗干扰测试(如检查屏蔽层接地、排查周边强电设备干扰)。经上述步骤,排除了参数误设、电源失稳、电磁干扰等常见诱因。

    2025-11-10 科威

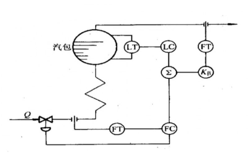
  • 锅炉汽包液位三冲量控制系统

    主被控变量:汽包液位,由液位变送器(LT)测量,经导压管将汽包内液位信号引出,送至主调节器(LC)。 副被控变量:给水流量,由流量变送器(FT2)测量,安装在给水管道的孔板处,通过导压管将差压信号转换为电信号,送至副调节器(FC)。

    2025-08-08 科威

  • 不锈钢在自控阀门中的应用分析

    不锈钢 201 性能特点 :含镍量较低,约为 4.0%-6.0%,耐腐蚀性在几种不锈钢中最差,特别是在潮湿环境下易生锈。其强度较高,硬度较大,加工性能一般,但价格相对便宜。 在自控阀门中的应用 :由于其耐腐蚀性较差,一般只用于一些对耐腐蚀性要求不高、工况较温和且预算有限的自控阀门中,如一些室内环境中输送清洁水、空气等介质的低压力、低温阀门。

    2025-06-19 科威

  • 截止阀和闸阀的区别

    截止阀和闸阀是两种常见的阀门类型,它们在工作原理、结构特点、适用场景等方面存在显著区别。以下从多个方面详细说明两者的区别:

    2025-05-21 科威

上一页12345下一页 转至第
首页
产品
新闻
联系