新闻动态

  • 双金属温度计远传测点超上限

    故障现象 生产反映锅炉送风机前后轴承温度不准,超上限,跟就地温度不符

    2026-03-20 科威

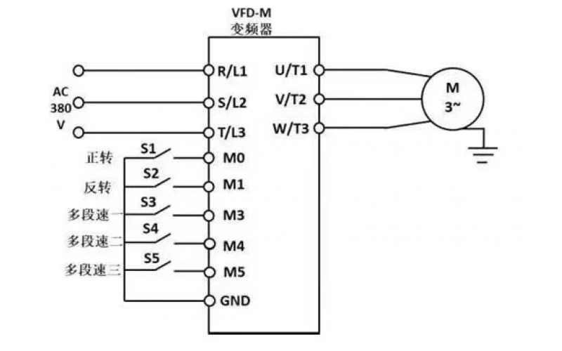
  • 变频器多段速怎么用?

    在我们工厂里,大部分设备都不能只靠一种转速运行,送料、运行、出料、定位这些工序,往往需要不同的速度。如果每次都手动去调变频器频率,不仅麻烦,还容易出错,也不适合自动运行的设备。这个时候,变频器的多段速功能就派上用场了,它可以提前设置好几档固定的转速,只要给一个信号,就能直接切换,操作简单,运行也稳定。

    2026-03-13 科威

  • 别再搞混了!kVA与kW的换算

    先上核心结论,记牢这个公式,换算就搞定: 有功功率(kW)= 视在功率(kVA)× 功率因数

    2026-03-06 科威

  • 隔离柜电气运维的安全屏障

    隔离柜是专门用于电气设备检修、维护时实现电源明显断开的柜体,核心功能是“物理隔离”——通过明显的断开点,彻底切断设备与电源的连接,消除触电风险,是电气运维中不可或缺的安全设备。

    2026-03-05 科威

  • 进线柜、出线柜与计量柜全解析

    进线柜作为外部电源进入配电系统的入口,核心组成部件包括:断路器(真空断路器/少油断路器) 作为主开关,实现电路的通断与故障保护;隔离开关 用于检修时明显断开电源,保障人员安全;电流互感器(CT) 采集大电流信号,供计量、保护装置使用;电压互感器(PT) (部分进线柜配置)转换电压信号;同时配备继电保护装置(过流、过压、欠压保护等)、仪表(电流表、电压表)及柜体框架、母线排、接线端子等辅助部件。

    2026-03-02 科威

  • 变频器怎么接线、正反转、调速操作指南

    电源接线:这一步错了直接报废 首先说电源接线,这一步绝对不能错,错了直接烧变频器。变频器分三相和单相两种,电源接口标识不一样,一定要区分开。 1.三相变频器(380V):电源输入端标的是 R、S、T。直接接三相380V的三根火线。这三个端子通常不分相序,随便接就行。 2.单相变频器(220V):注意了,这里很多新手会误解。虽然接的是220V电源,但端子通常不标L/N,而是标 L1/N 和 L2(或者 R 和 S)。你只需要把220V的两根线接上去就行,一般不分极性。

    2026-01-19 科威

  • 新设备热电阻测温不准?二线制比三线制误差大的真相

    我先测了热电阻本身的阻值,对照分度表算出来对应的温度是38℃,和便携仪测的实际温度一致,但再测操作柜端的接线端子阻值,比热电阻本身大了1.2欧这多出来的就是二十米导线的固定电阻。

    2025-12-08 科威

  • 变频器的矢量控制和V/F控制你了解​吗?

    变频器的矢量控制和V/F控制是两种常见的电机控制方式,它们在原理、性能、应用场景等方面存在显著差异。以下将从多个角度详细分析这两种控制方式,并结合我搜索到的资料进行说明。

    2025-05-28 科威

上一页1234567...15下一页 转至第
首页
产品
新闻
联系