带式输送机及MKD-CE系列逆止器知识介绍
带式输送机及MKD-CE系列逆止器知识介绍
MKD-CE系列逆止器是提升运输设备上的安全保护装置,能防设备停机后因负荷自重力的作用而逆转。适用于提升带式输送机、斗式提升机、刮板提升输送机等有逆止要求的设备。提升倾角超过4°的带式输送机带负荷停机时会发生输送带逆向转动甚至断裂或其他机械损坏,因此为防止重载停机时发生倒转故障,一般要设置逆止器或制动装置。输煤系统中常用的制动器有:电动液压推杆制动器、滚柱式逆止器、带式逆止器、楔块逆式止器等。
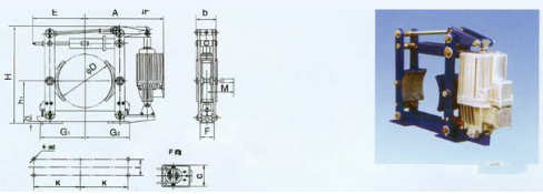
1.电动液压推杆制动器
1.1结构

KWZK-DYB系列电动液压推杆主要由驱动电机和离心泵(包括框架器身部分)两部分组成。除电机外,器身部分由盖、缸体、活塞、推杆和叶轮及转轴等组成。在器身外壳底部有两个搭子供安装固定制动器时使用,上端有与两推杆相连接的梁及连杆组成制动器的拉杆机构,两侧有两个圆筒,筒内装有圆柱弹簧。器身内装有活塞,活塞内的叶轮与电动机转轴相连接。
1.2工作原理
电机转动驱动离心泵轮旋转使压力油推动活塞、活塞上的推杆及杠杆机构一起上升压缩圆柱弹簧,使制动臂、闸瓦打开;电机失电停转时,泵轮也停止旋转。这样活塞杆在弹簧力的作用和本身自重的作用下向下降落,使制动器抱闸。
1.3特点
电动液压推杆制动器制动平稳,无冲击和噪声,但制动缓慢,使用受到一定限制。
2.滚柱逆止器
2.1结构

2.2工作原理
滚柱逆止器结构如图所示,事由星轮、滚柱、外圈组成的,滚柱和转块之间有弹簧片或弹簧。星轮为主动轮并与减速机轴联接,当其顺时针回转时,滚柱在磨擦力作用下使弹簧压缩而随星轮转动,此时为正常工作状态,逆止器内圈空转。当胶带即星轮逆时针回转时,滚柱在弹簧力和磨擦力作用下移向空隙的收缩部分,楔紧在星轮和外套之间,这就产生了逆止作用。
2.3特点
滚柱逆止器内部无轴承,安装时星轮和外圈座间隙不好调整,容易造成各滚柱受力不均甚至卡死,给皮带再启动造成很大困难。
3.带式逆止器
3.1结构

3.2工作原理
带式逆止器结构如图所示,皮带正常运转时,逆止带在回程皮带带动下放松,不影响皮带运行;当皮带停机发生倒转时,回程皮带带动逆止带反向卷入驱动滚筒与回程皮带中间,直到把逆止带拉展从而阻止了皮带机的逆转。
3.3特点
带式逆止器结构简单,造价便宜,可自制,维护方便。缺点是制动前输送带需逆转,容易造成给料处堵塞溢煤;制动力矩小,为获得同样的力矩,要求较大尺寸和重量,同时磨损不均匀,适用于倾角不大的输送机上。
4. 楔块式逆止器
楔块式超越离合器是随速度或旋转方向的变化而能自动接合或脱开的离合器,作为防止逆转的机构时,又称做楔块逆止器或单向轴承。
楔块式逆止器是主要由内圈、外圈、凸轮楔块、蓄能弹簧、密封圈、端盖等组成。楔块按一定规律排在内烊和外圈形成的环形轨道之间,由蓄能弹簧的加载使楔块工作表面与内、外圈接触,确保传递力矩时的瞬时啮合,力矩是在内、外圈间的楔块楔入作用下,使用权内=外圈锁紧并将力矩传递到防转支座或基础上,从而承担力矩载荷。由于楔块式逆止器在内、外圈间装了两组球轴承有效地控制了内外圈的同心度,从而确保了锁紧元件均匀承担载荷和高速运行,延长了离合器的使用寿命。使用时整体自由安装,不存在滚柱式逆止器内外圈调整不好时引起的受力不均使滚柱卡死的问题。楔块逆止器分为接触式楔块逆止器和非接触式楔块逆止器两种。
4.1接触式楔块逆止器
4.1.1结构

接触式楔块逆止器
4.1.2工作原理
内部结构如图所示,接触式逆止器内有若干个这样的异形楔块按一定规律排列在内外圈之间。当内圈向非逆止方向旋转时,异形楔块与内圈和外圈轻轻接触;当内圈向逆止方向旋转时,异形块在弹簧力的作用下,将内圈和外圈楔紧,从而承担逆止力矩。
4.1.3特点
接触式楔块逆止器适用于大转矩,中、高速传动工况,当用于高速工况时常采用稀油润滑及特殊结构和材料的楔块。一般极限转速为400~1500r/min。在普通皮带机的使用中一般安装于减速机的低速轴上,其外形结构如图13-10所示,与普通滚柱逆止器、棘轮逆止器相比,在传递相同逆止力矩的情况下,具有重量轻、传力可靠、解脱容易、安装方便等优点。其允许最大扭矩通常能达到数十万牛.米以上,是大型带式输送机和提升运输设备上的一种理想的安全保护装置。
4.2非接触式楔块逆止器
4.2.1结构

非接触式楔块逆止器
4.2.2工作原理
在逆止器内部,有多个异形块分布在由内、外圈所形成的滚道中,当内圈逆时针方向运转时,带动异形块一起旋转,当转速超过非接触转速时,异形块在离心力的作用下发生偏转,与内、外圈脱离接触,从而实现无磨损运转。当内圈顺时针方向运转时,在弹簧力的作用下,异形块与内、外圈接触并将其楔紧成一体,承受由内圈传送来的方向力矩。
4.2.3特点
非接触式逆止器是用在高速轴上的防逆转装置,具有逆止可靠、解脱容易、逆止力矩大、重量轻、安装方便等优点。其综合机械性能明显优于其它逆止装置,广泛地应用于带式输送机、斗式提升机、刮板输送机及其它有逆止要求的设备。